Model# CSX25GPCCWW
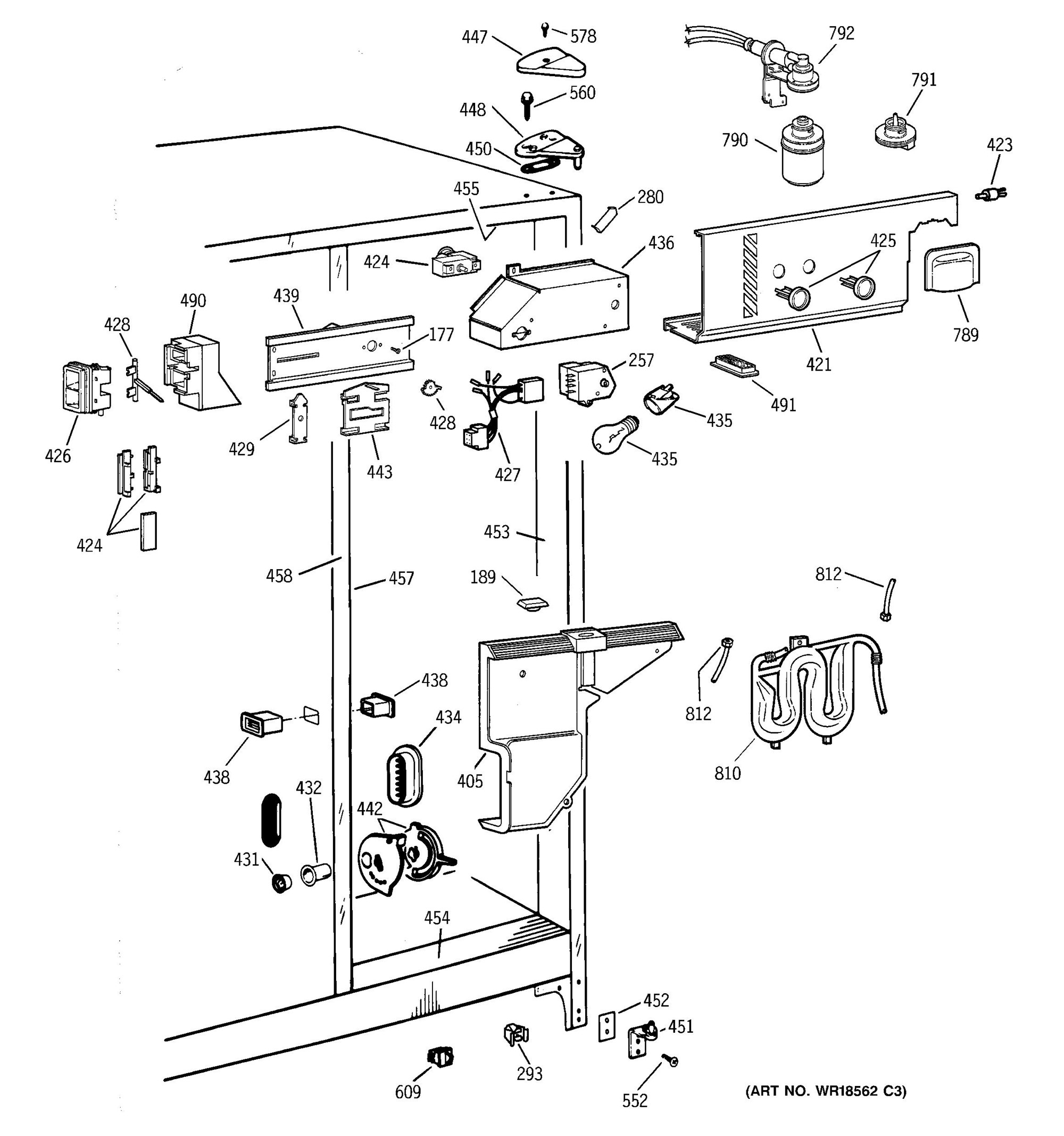
The image and part list below are associated with the component: FRESH FOOD SECTION:
For Support or Ordering By Phone,
Call (800) 816-0715 Mon–Fri 8 am to 9 pm, Sat 8 am to 3 pm EST
| Description | Part# | Substitution# | Diagram Reference | ETA | ||
|---|---|---|---|---|---|---|
|
SCREW 8-18 A HX 1/2 S | WR01X5034 | WZ4X338D | 177 | 3 days | |
|
CONTROL DEFROST | WR09X0489 | WR9X489 | 257 | 3 days | |
|
CAP CORNER OC (WH) | WR02X8518 | WR2X8518 | 280 | 11 days | |
|
CLIP-0. CASE-END CAP | WR02X7080 | WR2X7080 | 293 | 3 days | |
|
DUCT AIR RETURN FF | WR17X3890 | 405 | 3 days | ||
|
GASKET LIGHT SHIELD | WR14X0433 | WR14X433 | 421 | 11 days | |
|
SHIELD LIGHT ASM FF | WR17X10251 | 421 | 11 days | ||
|
GROMMET SUPPT LT SHIELD | WR02X10050 | 423 | 3 days | ||
|
CAPILLARY LOCATOR MALE | WR02X10115 | 424 | 11 days | ||
|
CAPILLARY LOCATOR FEMALE | WR02X10116 | 424 | 11 days | ||
|
PAD FOAM CONTROL TEMP | WR02X10117 | 424 | 11 days | ||
|
CONTROL TEMP | WR09X10016 | 424 | 3 days | ||
|
KNOB CONTROL | WR02X8398 | WR2X8398 | 425 | 11 days | |
|
INSUL FOAM NOZZLE | WR02X8425 | WR2X8019 | 426 | 11 days | |
|
HOUSING NOZZLE | WR02X8514 | WR2X8514 | 426 | 11 days | |
|
HARNESS CONT MODULE | WR23X0316 | WR23X316 | 427 | 3 days | |
|
GEAR CONTROL TEMP | WR02X8513 | WR2X8513 | 428 | 3 days | |
|
CONTROL DAMPER | WR02X10113 | 428 | 11 days | ||
|
SLIDE DAMPER | WR02X8516 | WR2X8516 | 429 | 11 days | |
|
CAP MULLION DUCT | WR02X9299 | WR2X9299 | 431 | 3 days | |
|
DUCT MULLION | WR02X8654 | WR2X8654 | 432 | 3 days | |
|
DUCT AIR RETURN ASM FF | WR02X9431 | WR2X9431 | 434 | 3 days | |
|
LAMP 40W 120V | STD372402 | 435 | 11 days | ||
|
SOCKET TERM BK | WR02X9391 | WR2X9391 | 435 | 3 days | |
|
BRACKET CONTROL MOD | WR02X7736 | WR2X7736 | 436 | 11 days | |
|
DUCT MULLION FF | WR02X7476 | WR2X7476 | 438 | 11 days | |
|
DUCT MULLION FZ | WR02X8655 | WR2X8655 | 438 | 11 days | |
|
CHANNEL CONTROL | WR17X2922 | 439 | 11 days | ||
|
CONTROL MEAT PAN ASM | WR17X10060 | 442 | 3 days | ||
|
RACK CONTROL TEMP | WR02X8570 | WR2X8570 | 443 | 11 days | |
|
COVER HINGE FF WH | WR02X8824 | WR2X8824 | 447 | 11 days | |
|
COVER HINGE FZ WH | WR02X8825 | WR2X8825 | 447 | 3 days | |
|
HINGE TOP ASM | WR13X0659 | WR13X659 | 448 | 3 days | |
|
SHIM HINGE TOP | WR02X4194 | WR2X4194 | 450 | 3 days | |
|
HINGE BTM PIN & CAM ASM | WR13X10020 | 451 | 3 days | ||
|
SHIM HINGE BTM. | WR02X4497 | WR2X9443 | 452 | 3 days | |
|
SHIM HINGE BTM. | WR02X7011 | WR2X7011 | 452 | 3 days | |
|
BREAKER STRIP R/S FF | WR40X1734 | 453 | 11 days | ||
|
BREAKER STRIP BTM FF | WR40X1735 | 454 | 11 days | ||
|
BREAKER STRIP TOP FF | WR40X1736 | 455 | 11 days | ||
|
BREAKER STRIP L/S FF | WR40X1737 | 457 | 11 days | ||
|
BRACKET MULLION TOP | WR02X9376 | WR2X8721 | 458 | 11 days | |
|
CLIP MULLION BTM | WR02X10334 | 458 | 11 days | ||
|
MULLION WH | WR40X1738 | 458 | 11 days | ||
|
NOZZLE DUCT ASM FF | WR02X10114 | 490 | 11 days | ||
|
GRILLE LIGHT SHIELD | WR17X10250 | 491 | 11 days | ||
|
SCR 12-24 TT IH .811 S | WR01X10034 | WR01X10600 | 552 | 3 days | |
|
SCREW | WR01X2140 | WR01X10204 | 560 | 3 days | |
|
SCREW 8-32 X 3/8 | WZ02X0464 | WZ2X464D | 578 | 3 days | |
|
SWITCH LIGHT WH | WR23X0193 | WR23X37285 | 609 | 11 days | |
|
COVER FILTER | WR17X10132 | 789 | 3 days | ||
|
CANISTER WATER FILTER | HXRT | MWFP | 790 | 3 days | |
|
FILTER PLUG ASM | WR02X10173 | 791 | 3 days | ||
|
FILTER HEAD & BRKT ASM | WR17X10237 | WR17X10450 | 792 | 3 days | |
|
WATER TANK DISP ASM | WR17X4358 | 810 | 3 days | ||
|
TUBE PLASTIC | WR17X2891 | 812 | 3 days |
